欢迎您来到鑫海文
服务电话:13714267950?QQ:1364937012 ?手机:
|

公司新闻 知识专区 无刷小百科

直流无刷电机驱动器正转反转设置及电路图

来源:乐鱼官方体育网站-leyu乐鱼(中国)|发布时间:2020-01-03 17:49


直流无刷电机运转时大多都是正转(顺时针转动),但是根据使用需求有些需要设置为反转(逆时针转动),或根据需求只能控制正转反转。那么对于电机只能正转不能反转以及正反转控制方法为大家介绍一下:
 
直流电机驱动器正转反转有什么区别吗?
电机正转是指正转顺时针转动,反转逆时针转动。对直流无刷电机本身而言正反转是一样的。只是电机输出做功时才有正反要求,比如家用风扇若正转向前扇风,反转则向后扇风,起重葫芦电机正转将重物提升,反转则下降。直流电机驱动器正反转是将其电源的相序中任意两相对调即可(我们称为换相)。
 
直流电机驱动器正反转控制方法有哪些?
直流电机驱动器的运转指令源(正反转控制)和频率指令来源(速度控制)是两个不同的参数设置,如果想要控制正转和反转的时候速度不一样可以有很多方法,这在我们实际应用当中很常见,首先我们先说下它们都有哪些控制方式。
那电机的运行指令有本地控制、外部端子和模拟量控制,本地控制就是在变频器的控制面板上完成一般没有正转和反转按钮,通常是时RUN运行键和停止键,旋转方向由JOG键进行控制。外部端子是我们经常用到的控制方式,通过多功能端子自定义正反转,我们接通对应端子的开关,变频器就以这个方向进行运转。那我们也可以通过通信的方式如常用的MODBUS协议,运行命令由上位机通过通讯方式进行控制。频率的指令源就多了,如本地控制(数字键和模拟电位器),模拟量控制、高速脉冲、多段速、PID和通信控制。
 
如何设置直流电机驱动器正反转?
首先要做的是对直流电机驱动器旋转信号的识别,然后根据方向输出不同的速度即可。我们可以通过变频器的输出继电器得到电机是正转还是反转如下图中的能够对变频器的状态进行监控,所以运行指令使用哪种方式都可以,但频率指令就需要来自外部控制,本地控制做不到。
最简单的方式就是多段速控制如果调速要求不高的可以选择,不用控制器和编程直接接线就可以实现,我们可以把变频器的状态输出直接接到多段速端子如下图ROA是继电器常开输出触点,ROC为公共端,可以对多段速的速度进行自定义设置。那如果是使用PLC就能实现无极调速,就是任意速度可设置更改,把变频器输出信号接到PLC的输入端编写程序给定频率即可,使用DA模块进行模拟量或者用通信的方式都可以。正反转控制电路动作原理与接触器互锁的电击正反转控制电路原理基本相似,。
这种直流电机驱动器正反转电路的优点是操作方便,缺点是容易产生短路故障。如正转接触器主触头发生故障,熔焊分断不开时,若按反转按钮进行切换,则会产生短路故障,因此单用按钮互锁的控制电路还不太安全可靠。
 
直流电机驱动器正反转控制电路图:
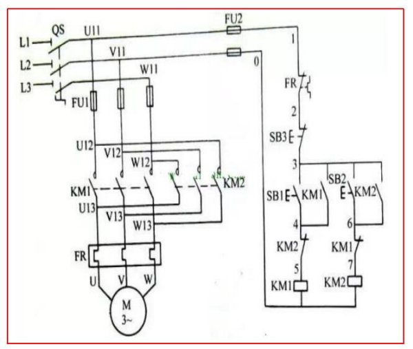
1、接触器联锁正、反转控制电路图
接触器联锁正、反转控制电路的主电路中连接了两个接触器KM1和KM2 ,工作安全可靠。
接触器联锁正、反转控制电路图
2、倒顺开关正、反转控制电路图
倒顺开关直接接在主电路中,不适合用作大容量的电动机控制,一般用在额定电流10A、功率3kW以下的小容量电动机控制电路中。
倒顺开关正、反转控制电路图
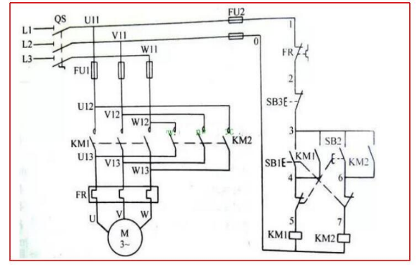
3、按钮、接触器双重联锁正反转控制电路
按钮、接触器双重联锁正反转控制电路可以有效解决按钮联锁正反转控制电路容易出现两相电源短路的问题。
在按钮联锁正反转控制电路的基础上,将两个接触器各自的常闭辅助触头与对方的线圈串接在一起,这样就实现了按钮联锁和接触器联锁双重保护。
按钮、接触器双重联锁正反转控制电路
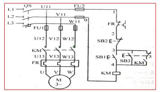
4、按钮联锁正、反转控制电路
接触器联锁正、反转控制线路在控制电动机由正转转为反转时,需要先按停止按钮,再按反转按钮,这样操作较为不便,采用按钮联锁正、反转控制线路则可避免这种不便。
电路采用两个复合按钮SB1和SB2 , SB1代替正转按钮和反转接触器的常闭辅助触头, SB2代替反转按钮和正转接触器的常闭辅助触头。
按钮联锁正、反转控制电路
其实不论是无刷直流电机驱动器正反转还是其他方面的问题,在设计开发时基本都会考虑在内,作为用户在提需求时,除产品规格功率外还要考虑到产品的应用,而无刷电机厂家也是一样的,考虑的越详细,最终电机驱动器与产品的契合度才会越高。

本文由鑫海文(www.wsqdfa-bldc.com)原创首发,转载请以链接形式标明本文地址或注明文章出处!