无刷驱动器换向方法
来源:乐鱼官方体育网站-leyu乐鱼(中国)|发布时间:2019-07-16 20:14
无刷驱动器或无刷直流电动机是由直流电源通过外部电动机控制器供电的电子换向电动机。与他们的拉丝亲属不同,无刷电机依靠外部控制器来实现换向。简而言之,换向是切换电机相中的电流以产生运动的过程。有刷电机有物理刷子,每次旋转两次实现这个过程,而无刷电机则没有,因此得名。由于其设计的性质,它们可以具有任意数量的极对用于换向。
与传统的有刷电机相比,无刷电机具有明显的优势。它们通常可提供15-20%的效率提升,无需刷子即可减少物理磨损,并可在所有额定速度下提供平坦的扭矩曲线。虽然无刷电机不是新发明,但由于需要复杂的控制和反馈电路,因此广泛采用的速度很慢。然而,最近半导体技术的进步,更好的永磁体以及对更高效率的不断增长的需求导致无刷电机在许多应用中取代有刷电机。无刷电机已在许多行业中占据一席之地,包括白色家电,汽车,航空航天,消费品,医疗,工业自动化设备和仪器仪表。
随着行业向更多应用中需要无刷电机的方向发展,许多工程师不得不切换到这种技术。虽然电机设计的基础知识仍然适用,但外部控制电路的增加又增加了另一套设计考虑因素。设计问题列表中的重点是如何获得电机换向的反馈。
电机换向
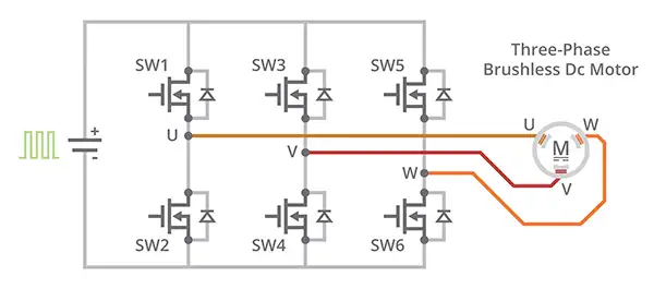
在深入研究无刷电机的反馈选项之前,了解它们为什么是必要的非常重要。无刷电机采用单相,2相和3相配置; 最常见的配置是3阶段。相数与定子上的绕组数相匹配,而转子极可以是任意数量的对,具体取决于应用。由于无刷电机的转子受到旋转定子磁极的影响,因此必须跟踪定子磁极位置,以便有效地驱动3个电机相。因此,电动机控制器用于在3个电动机相上产生6步换向模式。这些6级或换向阶段移动电磁??场,该电磁场使转子的永磁体移动电动机轴。

图1:无刷电机换向的六步模式。
使用该标准电动机换向序列,电动机控制器然后可以使用高频脉冲宽度调制(PWM)信号来有效地降低电动机观察到的平均电压,从而改变电动机速度。即使直流电压源远大于电机的额定电压,这种设置也允许一个电压源用于各种电机,从而实现设计的大量灵活性。为了使该系统保持其优于拉丝技术的效率优势,在电动机和控制器之间需要非常严格的控制回路。这就是反馈技术变得重要的地方; 为了使控制器保持对电动机的精确控制,必须始终知道定子相对于转子的准确位置。预期位置和实际位置的任何未对准或相移可能导致不良行为和性能下降。有许多方法可以实现无刷电机换向的这种反馈,但最常见的是霍尔效应传感器,编码器或旋转变压器。另外,一些应用依赖于无传感器换向技术。
职位反馈
自无刷电机问世以来,霍尔效应传感器一直是换向反馈的主力。对于三相控制,只需要三个传感器,并且每单位成本非常低,从纯BOM成本的角度来看,它们是实现换向的最经济的选择。霍尔传感器嵌入电机的定子中以检测转子位置,转子位置用于切换三相桥中的晶体管以驱动电机。三个霍尔效应传感器输出通常被称为U,V和W通道。虽然霍尔传感器是换向无刷电机的有效解决方案,但它们只能满足无刷系统的一半需求。

图2:三相桥式驱动电路。
霍尔效应传感器将允许控制器驱动无刷电机,但不幸的是它的控制仅限于速度和方向。霍尔效应传感器采用三相电机,只能在每个电气周期内提供角度位置。随着极对数增加,每次机械旋转的电循环次数增加,并且随着无刷的使用变得更加普遍,因此增加了对精确位置感测的需求。为了确保稳健和完整的解决方案,无刷系统应提供实时位置信息,以便控制器不仅可以跟踪速度和方向,还可以跟踪行进距离和角位置。
解决更严格位置信息需求的最常见解决方案是在无刷电机上增加一个增量式旋转编码器。除了同一控制反馈回路系统内的霍尔效应传感器之外,通常还增加了增量编码器。霍尔传感器用于电机换向,编码器用于跟踪位置,旋转,速度和方向,具有更高的精度。由于霍尔传感器仅在每次霍尔状态变化时提供新的位置信息,因此它们的精度限制为每次电气旋转六个状态; 对于双极电机,每次机械旋转只能产生六种状态。与增量编码器相比,增量编码器提供数千个PPR(每转脉冲)的分辨率,然后可以将其解码为状态变化的四倍,

图3:六步霍尔效应输出和梯形电机相位。
但是,由于电机制造商不得不将霍尔效应传感器和增量编码器都放在电机上,许多编码器制造商已经开始提供带换向输出的增量编码器,通常简称为换向编码器。这些编码器设计用于提供传统的正交A和B通道(有时是每转一次的索引脉冲通道Z)以及大多数无刷电机驱动器所需的标准U,V和W换向信号。这为电机设计人员节省了安装霍尔效应传感器和增量编码器的必要步骤。
虽然这种方法的优点很有说服力,但这种方法存在重大的权衡。如前所述,为了有效地换向无刷电动机,必须知道转子和定子的位置。这意味着必须非常小心,以确保换向编码器的U / V / W通道与无刷电机的相位正确对齐。
对于在其光盘上具有固定图案的光学编码器和必须手动放置的霍尔效应传感器,实现无刷电机正确对准的过程既迭代又耗时。该方法涉及附加设备,包括第二电动机和示波器。要对准光学编码器或一组霍尔效应传感器,无刷电机必须使用第二个电机进行反向驱动。然后,当电动机通过第二电动机以恒定速度旋转时,示波器用于监测三个电动机相的反电动势(也称为反电动势或反电动势)。必须根据示波器上显示的反电动势波形检查来自编码器或霍尔传感器的最终U / V / W信号。如果U / V / W通道和反电动势波形之间存在任何差异,则必须进行调整。这个过程每个电机可能需要20分钟,需要大量的实验室设备,并且在使用无刷电机时是一个主要的挫折源。虽然光学换向编码器巩固了仅安装一种技术的负担,但实现光学换向编码器的缺点是缺乏通用性。由于光学编码器在其光盘上使用固定图案,因此在订购之前必须知道电机极数,正交分辨率和电机轴尺寸。虽然光学换向编码器巩固了仅安装一种技术的负担,但实现光学换向编码器的缺点是缺乏通用性。由于光学编码器在其光盘上使用固定图案,因此在订购之前必须知道电机极数,正交分辨率和电机轴尺寸。虽然光学换向编码器巩固了仅安装一种技术的负担,但实现光学换向编码器的缺点是缺乏通用性。由于光学编码器在其光盘上使用固定图案,因此在订购之前必须知道电机极数,正交分辨率和电机轴尺寸。

图4:换向通道和电机相位的所需对齐。
电容式换向编码器
CUI公司通过提供基于其AMT系列中使用的专利电容技术的增强型换向编码器解决了这两个问题的产品。光学编码器使用非常小的LED通过具有特定间隔的凹口的光盘传输光以产生输出图案。AMT编码器可以以类似的方式描述,但是不是通过LED传输光,而是传输电场。在光盘的位置是PCB转子,其包含调制电场的正弦图案金属迹线。然后将调制信号的接收端传递回发射机,在那里通过专用ASIC将其与原始信号进行比较。该技术使用与Vernier数字卡尺相同的原理,该卡尺以其可靠性和准确性而闻名。

图5:电容编码器操作。
在AMT31系列换向编码器提供了增量输出A / B / Z,以及换向输出U / V / W。通过包括电容ASIC和板载MCU的设计,编码器以数字方式生成其输出。这很重要,因为它允许用户只需按一下按钮即可以数字方式设置编码器的零位。只需将无刷电机锁定到所需的相位状态,并使用AMT One Touch Zero™模块或AMT Viewpoint™编程GUI 将AMT31编码器归零。这样就无需反向驱动电机,也无需使用示波器查看任何输出信号,从而有效地从装配过程中移除了20分钟。
由于采用了电容技术,可以动态调整正交分辨率和换向输出。用户只需将AMT31编码器连接到鑫海文,从20个正交分辨率(最多4096个PPR)和7个标准极对选项(最多20个极点)中选择,然后点击“程序”。这在开发方面具有优势,允许工程师快速,轻松地对原型进行任何更改,并通过允许单个库存单元(SKU)用于不同分辨率的多个电机控制和无刷杆来帮助生产供应链管理计数。除了支持多种分辨率和极对数的每个单元外,编码器外壳的设计便于组装,同时提供多种安装选项和多种套管尺寸,以适应常用的电机轴直径。