欢迎您来到鑫海文
主页 > 乐鱼官方体育网站-leyu乐鱼(中国) > 无刷驱动器 >
基本性能:

| 供电电源 | 直流24V,士20% |
| 额定功率 | 最大300W(根据所选电机确定) |
| 额定转速 | 根据所选电机确定 |
| 额定转矩 | 根据所选电机确定 |
| 调速范围 | 90RPM~额定转速 |
| 绝缘电阻 | 常温常压下>100MΩ |
| 绝缘强度 | 常温常压下1KV,1分钟 |
| 冷却方式 | 散热器自然冷却 | |
| 使用环境 | 场合 | 尽量避免粉尘、油污及腐蚀性气体 |
| 温度 | -10℃ ~ +65℃ | |
| 湿度 | <80%RH,无凝露,无结霜 | |
| 振动 | 5.9m/S²Max | |
| 保存温度 | -20℃ ~ +65℃ | |
| 体积 | 147x75x45(mm³) | |
| 重量 | 0.5Kg | |

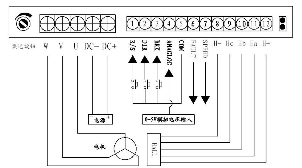
| 端子标记 | 端子定义 | ||
| 功率端子 |
DC+、DC- U、V、W |
接直流电源。DC+与正极相接,DC-与负极相接 | |
| 端子的U、V、W与电机的U、V、W三相对应连接1 | |||
| 霍尔信号 |
H+、H- Ha、Hb、Hc |
将该端子的H+和H-分别与电机霍尔的电源和地线连接。将Ha、Hb、Hc与电机的霍尔线一一对应连接 | |
| 控制端子 | 1 | R/S电机启停控制信号,与COM端口短接电机启动,断开电机自然停车 | |
| 2 | DIR 电机转向控制信号,与COM端口短接电机反转,断开电机正转注2 | ||
| 3 | BRK制动停车信号,与COM端口短接电机制动停车注3 | ||
| 4 | ANI外部模拟电压调速输入,默认输入电压0-5V注4 | ||
| 5 | COM信号接地端 | ||
| 6 | FAULT故障信号输出接口(低电平电机故障)注5 | ||
| 7 | SPEED 速度信号输出接口注6 | ||
| 指示灯 | 红灯闪烁 | 电机故障 | |
| 绿灯闪烁 | 电机待机 | ||
| 交替闪烁 | 电机正常运行 | ||
| 调速旋钮 | 调节电机转速 | 顺时针旋转电机速度增加,逆时针旋转电机速度减小 | |

询价